






左圖右文表格
![]() |
1. MARK-10 | M3系列推拉力計 : 具有輕量化設計及堅固的壓鑄式鋁製外殼機構件適用於任何環境。 |
![]() |
2. MARK-10 | M3系列測力計 : 基於人體工學設計之鋁質堅固機體結構,可手持或裝置於測試台上進行操作。 |
![]() |
3. MARK-10 | M3系列推拉力計的背光顯示器具有大且容易讀取的數字、峰值讀數、設定點指示器、類比式的負載條狀圖。 |
![]() |
4. MARK-10 | M3系列測力計的 USB 和 電源連接器 崁入儀器機殼內部,以獲得更好的保護。 |
![]() |
5. MARK-10 | M3系列測力計獨特的可翻轉式殼體,允許測力計與力量傳感器之計測軸向上或向下操作時,皆能正確顯示相關資料。 |
![]() |
6.MARK-10 | M3系列測力計標準配備 : 收納盒 / 標準測頭6個 / 專屬電源變壓器 / 操作說明書 / USB連接線 / 原廠精度保證書 ( NIST 精度報告須另外選購 )。 |
![]() |
7. MESUR®Lite : 一個基本的數據蒐集軟體,可將 Mark-10 測力計、扭力計端所接收之數據製成表格,或匯出至 Excel 進行分析。 |
■ 2,000 Hz 高速取樣率。
■ USB 輸出連續或單一數據點資料。
■ 大型背光式圖形顯示器。
■ 有設定點標記的即時負載條狀圖。
■ 可編程之設定點及警報和輸出。
■ 隨時顯示峰值讀數和設定點。
■ 三種量測單位可供選擇。
■ 按鍵及警報聲提示。
A 式表格
| 精確度 | ±0.3% F.S ( 最大標稱值 ) |
| 取樣率 | 2,000 Hz |
| 使用電源 | 交流電 / 可充電式電池,蓄電量指示,電量不足時自動關機。 |
| 操作時間 |
背光源開啟:7 小時。 背光源關閉 : 可連續使用 24 小時。 |
| 量測單位 | lbf、gf、Kgf、N ( 取決於型號 )。 |
| USB輸出功能 | 最大可設定為 115,200 baud。 |
| 過載保護 | 最大標稱值之 200% ( 超過 110%時 : 過載警告提示 )。 |
| 重量 |
M3-012 ~ M3-100:0.33 Kg M3-200 ~ M3-500:0.41 Kg |
| 使用環境 | 温度:5~38℃ 、 濕度:20~90 %RH |
| 標準配備 | 收納盒 / 標準測頭6個 / 專屬電源變壓器 / 操作說明書 / USB連接線 / 原廠精度保證書 ( NIST精度報告須另外選購 ) |
B式表格
| 測試容量 x 解析度 | ||||
|---|---|---|---|---|
| 型號 | Kgf | gf | N | lbf |
| M3-012 | - | 50 x 0.05 | 0.5 x 0.0005 | 0.12 x 0.0001 |
| M3-025 | - | 100 x 0.1 | 1 x 0.001 | 0.25 x 0.0002 |
| M3-05 | - | 250 x 0.2 | 2.5 x 0.002 | 0.5 x 0.0005 |
| M3-2 | 1 x 0.001 | - | 10 x 0.01 | 2 x 0.002 |
| M3-5 | 2.5 x 0.002 | - | 25 x 0.02 | 5 x 0.005 |
| M3-10 | 5 x 0.005 | - | 50 x 0.05 | 10 x 0.01 |
| M3-20 | 10 x 0.01 | - | 100 x 0.1 | 20 x 0.02 |
| M3-50 | 25 x 0.02 | - | 250 x 0.2 | 50 x 0.05 |
| M3-100 | 50 x 0.05 | - | 500 x 0.5 | 100 x 0.1 |
| M3-200 | 100 x 0.1 | - | 1,000 x 1 | 200 x 0.2 |
| M3-500 | 250 x 0.2 | - | 2,500 x 2 | 500 x 0.5 |


左圖右文表格
![]() |
3系列測力計如圖所示運送,並包括以下配件~ (1)延長桿 * *具體配件取決於測力計型號。相關詳細信息,請參閱附屬配件部分。 |
左圖右文表格
![]() |
1. 使用範圍廣泛的 測試台 和 夾具。 |
![]() |
2. 精度檢查報告 ( CERT ) |
![]() |
3. 眼尾連接裝置 裝置到測試台連接力量傳感器和測力計,可快速安裝和拆卸夾具,並防止旋轉。 |
![]() |
4. 安裝背板 用於將 Mark-10 推拉力計安裝到夾具或測試系統上, 包括安裝套件。 備註:安裝背板包含在 Mark-10 測試台中。 |

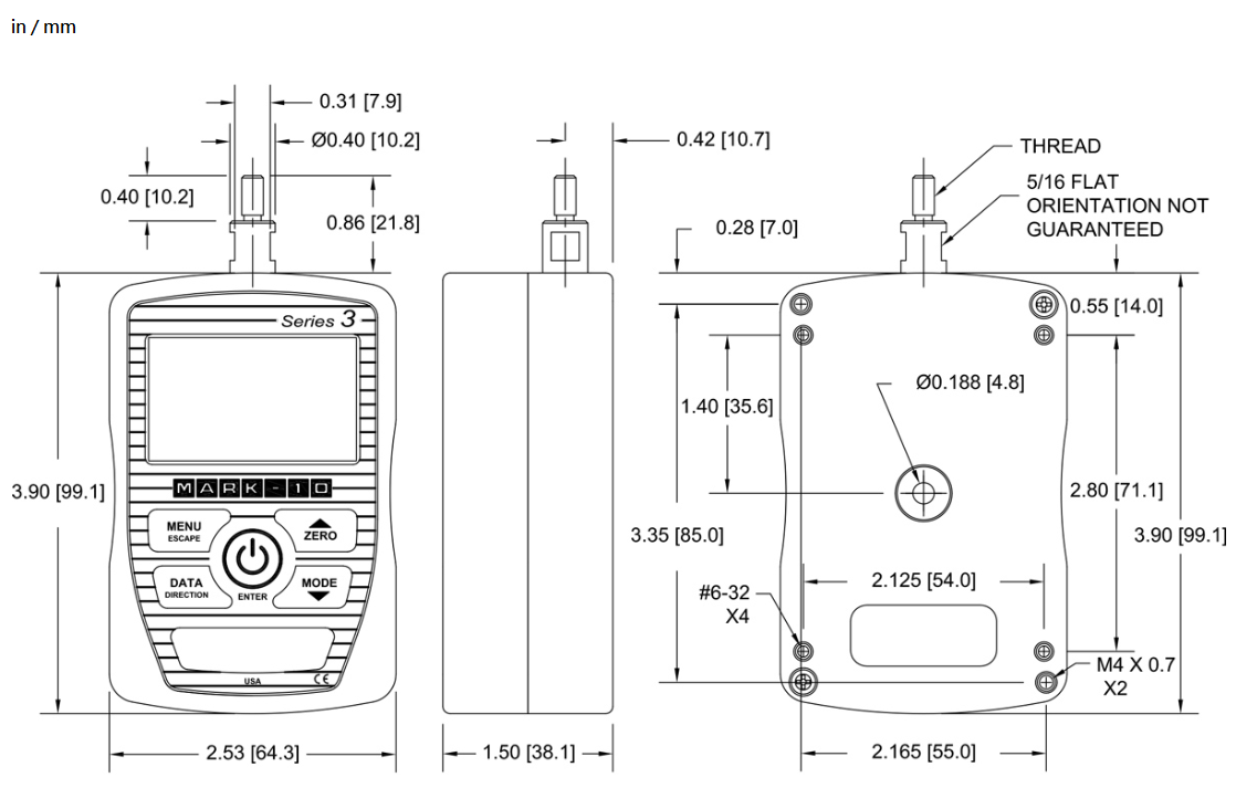
C式表格
| 型號 | 螺紋規格 |
|---|---|
| M3-012 ~ M3-100 | #10-32 UNF |
| M3-200 ~ M3-500 | 5/16-18 UNC |
訂購訊息
| 型號 | 測試容量 |
|---|---|
| M3-012 | 測力計 : 50 gf / 0.5 N / 0.12 lbf |
| M3-025 | 測力計 : 100 gf / 1 N / 0.25 lbf |
| M3-05 | 測力計 : 250 gf / 2.5 N / 0.5 lbf |
| M3-2 | 測力計 : 1 Kgf / 10 N / 2 lbf |
| M3-5 | 測力計 : 2.5 Kgf / 25 N / 5 lbf |
| M3-10 | 測力計 : 5 Kgf / 50 N / 10 lbf |
| M3-20 | 測力計 : 10 Kgf / 100 N / 20 lbf |
| M3-50 | 測力計 : 25 Kgf / 250 N / 50 lbf |
| M3-100 | 測力計 : 50 Kgf / 500 N / 100 lbf |
| M3-200 | 測力計 : 100 Kgf / 1,000 N / 200 lbf |
| M3-500 | 測力計 : 250 Kgf / 2,500 N / 500 lbf |
| 選購配備 | |
| CERT | 精度檢查報告。 |
| 15-1005 | MESUR®gauge Plus 版軟體。 |
| AC1118 | 充電式電池。 |
| AC1030 | AC電源變壓器。 |
| AC1052 | 安裝板用套件。 |
Related Products
相關產品