 
                                        電子式/數位式顯示器及傳感器分離型測力計
▄ 提供依據測試環境及量測條件需求的多種型式感測器,可集成至測試設備中或生產線上,執行多元化的測試應用。
▄ 2,000 Hz 的高取樣率,提供峰值擷取及圖表記錄過程的高再現性。
▄ 多種型式資料輸出模式,可透過 PC 管理測試數據及連結外部設備執行多功能的測試。
 
                                        拉伸及壓縮型力量傳感器/感測器
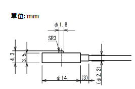
量測 拉力 / 推力-微小型
▄ 測試範圍 : 50 Kgf / 500 N / 110 lbf
▄ 精確度 : ± 1%F.S 以内
▄ 安全過載額定值 : 120%
▄ 纜線長度 : 2M
LMU系列兩側的螺牙分別提供固定傳感器及安裝量測用配件之連接用途,可定位至既有生產線或集成至外部設備,進行拉伸和壓縮力量測試的微小型傳感器,測試容量 : 5 ~ 50 Kgf / 50 ~ 500 N / 11 ~ 110 lbf。
 
                                        壓縮型力量傳感器/感測器
量測 壓縮 / 下壓力-小型
▄ 測試範圍 : 2,000 Kgf / 20 KN / 4,400 lbf
▄ 精確度 : ( 10 N ~ 10 KN ) : ± 2%F.S 以内 / 20 KN : ± 3.5%F.S 以内
▄ 安全過載額定值 : 10 N : 150% / ( 20 N ~ 2000 N ) : 200% / ( 5,000 N ~ 20 KN ) : 120%
▄ 纜線長度 : 10 ~ 2,000 N : 2M / 5,000 N ~ 20 KN : 3M
輕薄、微小型結構設計適用於作業空間狹窄及小型物件測試,可安裝於衝壓機/沖床鈑金機器或黏貼於可撓式軟管端進行下壓力量的各種測試應用。測試容量 : 1 ~ 2,000 Kgf / 10 N ~ 20 KN / 2.2 ~ 4,400 lbf。
 
			 
			 
			 
			
 
										 
										 
										 
										 
										 
										 
										 
										 
										 
										 
										 
										 
										 
										 
										 
										 
										 
										 
										 
										 
										 
										 
										 
										 
										 
										 
										 
										 
										 
										 
										 
										 
										 
										 
										 
										 
										 
										 
										 
										 
										 
										 
										 
										 
										 
										 
										 
										 
										 
										 
										 
										 
										 
										 
										 
										 
										 
										 
										 
										 
										 
										 
										 
										 
										 
										 
										 
										 
										 
										 
										 
										 
										 
										 
										 
										 
										 
										 
										 
										 
										 
										 
										 
										 
										 
										 
										 
										 
										 
										 
										 
										 
										 
										 
										 
										 
										 
										 
										 
										 
										 
			 
			
 
				 
				 
     
     
     
                                         
										 
										 
										 
										 
										 
										 
										 
										 
										 
										 
										 
										 
										 
										 
										 
										 
										 
										 
										 
										 
										 
                                        


